In the October 1957 issue of the magazine QST, Ted Crosby introduced a high performance amateur short wave receiver that could be constructed by any "Tom, Dick and Harry" (his words).

While there is no record of how many of his "HBR" receivers were built, it is probably safe to say that his design was the most duplicated of all homebrew receivers ever constructed. Almost fifty years after the design was first published, we decided to try our hands at building one ourselves. Click on the images to the left to see the results. You might also want to check out the companion
HBT-90 transmitter that we made after our success with this receiver.

Click on any picture to enlarge it
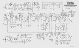
HBR-16 schematic notes
Our HBR-16 receiver
The top of the chassis
The underside
The box for the plug in coils
The as built schematic